
Shelly Plus 2PM

Device identification
Device name: Shelly Plus 2PM
Device model: SNSW-002P16EU
Device SSID: ShellyPlus2PM-XXXXXX
Short description
Shelly Plus 2PM is a small form factor 2-channel smart switch with power measurement and cover control, which allows remote control of electric appliances through a mobile phone, tablet, PC, or home automation system. It can work standalone in a local Wi-Fi network or it can also be operated through cloud home automation services.
Shelly Plus 2PM can be accessed, controlled and monitored remotely from any place where the User has internet connectivity, as long as the device is connected to a Wi-Fi router and the Internet.
It can be retrofitted into standard electrical wall boxes, behind power sockets and light switches or other places with limited space.
Shelly Plus 2PM has an embedded Web Interface which can be used to monitor and control the device, as well as adjust its settings.
Main applications
Residential
MDU (Multi Dwelling Units - apartments, condominiums, hotels, etc.)
Light commercial (small office buildings, small retail/restaurant/gas station, etc.)
Government/municipal
University/college
Integrations
Google
Samsung SmartThings
Alexa
Simplified internal schematics

Device electrical interfaces
Inputs
2 switch/button inputs on screw terminal: S1 and S2
3 power supply inputs on screw terminals: 1 N (+) and 2 L (Ʇ)
Outputs
2 relay outputs with power measurement on screw terminal
Add-on interface
Shelly proprietary serial interface

⚠CAUTION! High voltage on the add-on interface when the Device is powered!
Connectivity
Wi-Fi
Bluetooth
Safety features
Overheating protection
Overvoltage protection
Overcurrent protection
Overpower protection
Obstacle detection (cover mode)
Safety switch (cover mode)
Supported load types
Resistive (incandescent bulbs, heating devices)
Capacitive (capacitor banks, electronic equipment, motor start capacitors)
Inductive with RC Snubber (LED light drivers, transformers, fans, refrigerators, air-conditioners)
User interface
Inputs
-
One (Reset) button
Press and hold for 5 seconds to enable Device access point and Bluetooth connection.
Press and hold for 10 seconds to factory reset the Device.
Outputs
-
LED (monocolor) indication
AP (Access Point) enabled and Wi-Fi disabled:
1 secondON
/ 1 secondOFF
Wi-Fi enabled, but not connected to a Wi-Fi network:
1 secondON
/ 3 secondsOFF
Connected to a Wi-Fi network:
ConstantlyON
Cloud is enabled, but not connected:
1 secondON
/5 secondsOFF
Connected to Shelly Cloud:
ConstantlyON
OTA (Over the Air Update):
½ secON
/ ½ secondOFF
Button pressed and held for 5 seconds:
½ secondON
/ ½ secondOFF
Button presses and held for 10 seconds:
¼ secondON
/ ¼ secondOFF
The list above starts with the initial device status and the lowest priority. Every next state cancels the previous one.
Specifications
Type |
Value |
---|---|
Physical | |
Size (HxWxD): |
37x42x16 ±0.5 mm / 1.46x1.65x0.63 ±0.02 in |
Weight: |
|
Mounting: |
Wall console |
Screw terminals max torque: |
0.4 Nm / 3.5 lbin |
Conductor cross section: |
0.5 to 1.5 mm² / 20 to 16 AWG |
Conductor stripped length: |
5 to 6 mm / 0.20 to 0.24 in |
Shell material: |
Plastic |
Color: |
Black |
Environmental | |
Ambient temperature: |
-20 °C to 40 °C / -5 °F to 105 °F |
Humidity |
30 % to 70 % RH |
Max. altitude |
2000 m / 6562 ft |
Electrical | |
Power supply: |
110 - 240 VAC / 24 VDC ±10% |
Power consumption: |
< 1.4 W |
Output circuits ratings | |
Max switching voltage AC: |
240 V |
Max switching voltage DC: |
30 V |
Max switching current AC: |
10 A (per channel), 16 A (total), 18 A (total peak) |
Max switching current DC: |
10 A |
Sensors, meters | |
Internal-temperature sensor: |
Yes |
Voltmeter (AC) |
Yes |
Ammeter (AC) |
Yes |
Radio | |
RF band: |
2400 - 2495 MHz |
Max. RF power: |
<20 dBm |
Wi-Fi protocol: |
802.11 b/g/n |
Wi-Fi Range: |
Up to 30 m / 100 ft indoors and 50 m / 160 ft outdoors |
Bluetooth Protocol: |
4.2 |
Bluetooth Range: |
Up to 10 m / 33 ft indoors and 30 m / 100 ft outdoors |
MCU | |
CPU: |
ESP32-U4WDH |
Flash: |
4 MB |
Firmware capabilities | |
Schedules: |
20 |
Webhooks (URL actions): |
20 with 5 URLs per hook |
Scripting: |
Yes |
MQTT: |
Yes |
CoAP: |
No |
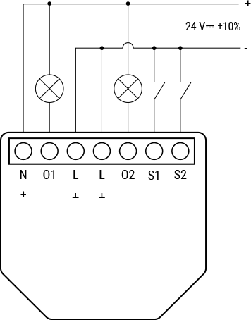
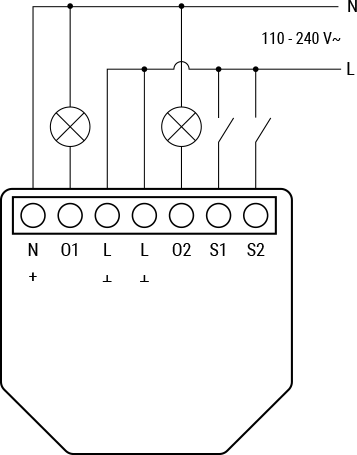
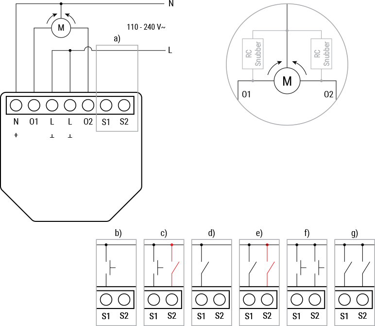
Basic wiring diagram
![]() Dual-channel switch mode, AC power supply |
![]() Dual-channel switch mode, DC power supply |
![]() Cover mode |
Legend
Terminals |
Wires |
||
---|---|---|---|
N |
Neutral terminal |
N |
Neutral wire |
L |
Live (110-240 V) terminal |
L |
Live (110 - 240 VAC) wire |
O1, O2 |
Load circuit output terminals |
+ |
24 VDC positive wire |
S1, S2 |
Switch input terminals |
- |
24 VDC negative wire |
+ |
24 VDC positive terminal |
||
Ʇ |
24 VDC negative terminal |
Troubleshooting
...
Web Interface guide
Read the Shelly Plus 2PM web interface guide
Printed user guide
Shelly Plus 2PM multilingual printed user and safety guide.pdf
Compliance
Shelly Plus 2PM multilingual EU declaration of conformity.pdf
Shelly Plus 2PM UK PSTI ACT Statement of compliance.pdf
Shelly Plus 2PM x2 UK PSTI ACT Statement of compliance.pdf
Shelly Plus 2PM AU NZ Certificate for Suitability.pdf