1-phase, 2-channel relay with two integrated precise power meters that allow customers to control and monitor the consumption for each channel separately. Suitable for roller shutter automation.
5
5 Years Manufacturer Warranty
5 Years Manufacturer Warranty
This warranty covers any issues with the hardware or firmware that exist at the time of purchase or that appear within the warranty period. The warranty includes all parts of the hardware, such as the body, mechanics, and display (if applicable). However, it does not cover consumable items like batteries or accessories, as their lifespan depends on how much they are used.
Next-generation Wi-Fi temperature & humidity sensor with an e-paper display. Enhanced with our 8MB Shelly chip, it’s equipped with all Gen3 device features.
Regular price$38.99
Sale price$38.99
Regular price
Unit price/ per
Next-generation Wi-Fi temperature & humidity sensor with an e-paper display. Enhanced with our 8MB Shelly chip, it’s equipped with all Gen3 device features.
Temperature
Humidity
Next-generation Wi-Fi temperature & humidity sensor with an e-paper display. Enhanced with our 8MB Shelly chip, it’s equipped with all Gen3 device features.
Couldn't load pickup availability
Key Features
LAN, Wi-Fi, and Bluetooth connection
2 outputs, 16A each. Total device maximum of 25A
Power metering on each channel and free storage data
Cover (roller) control - roller shutters, awnings, gates, barriers, sliding doors, curtains, garage doors, bi-directional AC motors
1-phase control
Easy control through the Shelly app, various protocols, and platforms, as well as voice assistants
Supports KNXnet / IP communication
Shelly Pro 2PM v.1
Shelly Pro 2PM v.1 is a modification of Shelly Pro 2PM (SPSW-002PE16EU)
Shelly Pro 2PM v.0 is now obsolete and out of sale.
Differences with Shelly Pro 2PM v.0 are marked by the ≠ symbol in the text below.
Main changes:
Power supply: no more 12 VDC option.
Connectors: 3-terminal connectors are replaced by 2-terminal ones.
PCBs: relay 2-layer PCBs are replaced by 4-layer ones for better thermal performance.
LAN: improved high voltage electrical distances.
Plastics shell: improved dielectric performance.
Device identification (≠)
Device name: Shelly Pro 2PM v.1
Device model: SPSW-202PE16EU
Device SSID: ShellyPro2PM-XXXXXX
Short description
Shelly Pro 2PM is a DIN rail mountable 2-channel smart switch with power measurement capabilities. Enhanced with all the gen2 firmware flexibility and LAN connectivity, it provides professional integrators with many more options for end customer solutions. It can work standalone in a local Wi-Fi network or it can also be operated through cloud home automation services.
Shelly Pro 2PM can be accessed, controlled and monitored remotely from any place where the User has internet connectivity, as long as the device is connected to a Wi-Fi router and the Internet.
Shelly Pro 2PM has an embedded Web Interface which can be used to monitor and control the device, as well as adjust its settings.
Main applications
Residential
MDU (Multi Dwelling Units - apartments, condominiums, hotels, etc.)
Light commercial (small office buildings, small retail/restaurant/gas station, etc.)
Government/municipal
University/college
Integrations
Google
Alexa
Samsung SmartThings
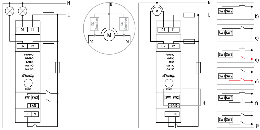
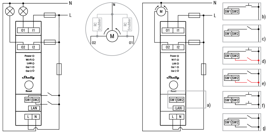
Simplified internal schematics (≠)
Device electrical interfaces
Inputs
2 switch/button inputs on screw terminals: SW1 and SW2
2 power supply inputs on screw terminals: 1 N and 1 L
2 relay inputs: I1, I2
Outputs
2 relay outputs: O1, O2
Ethernet port
1 RJ45 connector
⚠CAUTION! Plug in or unplug the LAN cable only when the Device is powered off! The LAN cable connector must not be metallic in the parts touched by the user to plug in or unplug the cable.
Add-on interface
Shelly proprietary serial interface
⚠CAUTION! High voltage on the add-on interface when the Device is powered!
Connectivity
Ethernet
Wi-Fi
Bluetooth
Safety features
Overheating protection
Overvoltage protection
Overcurrent protection
Overpower protection
Supported load types
Resistive (incandescent bulbs, heating devices)
Capacitive (capacitor banks, electronic equipment, motor start capacitors)
Enhanced with temperature, overpower, and overvoltage load protection, Shelly Pro series is designed to be installed inside the breaker box (DIN). Allowing full smart automation with no additional cables or wiring, Shelly Pro line is perfect for homes, offices, stores, business, and manufacturing facilities, as well as new buildings.
Enhanced safety features
Overheating protection
In case of unsafe temperature levels or rapid temperature increase, device switches off the outputs and sends notification. Internal temperature sensor is measuring the heat every 100 ms.
Overpower protection
Detected overpower will lead to outputs switch off by the device and it will immediately send a notification. Overpower protection feature protects the device and other electrical equipment from potential damage.
*Feature is available only for power metering-enabled devices
Overvoltage protection
Voltage peaks could be dangerous for electrical appliances and machines. To avoid damage to the electrical appliances the device switches off the outputs when overvoltage peaks are detected and immediately sends a notification.
Flame Retardant (V-0)
All Shelly Pro components are produced with flame-resistant materials and will keep their construction even when exposed to high levels of heat.
LAN, Wi-Fi, and Bluetooth connectivity
LAN connection for high security and reliability. Simultaneous Wi-Fi and LAN usage, as backup when needed.
2 outputs, 16 A each
Shelly Pro 2PM has a total device output of 25A.
Precise power metering
Shelly Pro 2PM provides precise monitoring of the power consumption.
Cover (roller) control
Control two-directional AC motors and set your desired position.
Enhanced safety & security
Improved safety features and TLS 1.2 support, allowing a broad range of secure cloud-connected and local integrations.
Scripting capabilities
Set custom scenes by combining Shelly Pro 2PM with your other Shelly devices.
Solutions
Shelly Pro 2PM
An awning that follows the weather
An awning that follows the weather
The outdoor motorized awnings offer pleasant shade for the establishment's visitors on sunny days. However, a strong, unexcepted wind can damage them beyond repair. By combining it with a wind sensor or simply by using a script to receive data for the weather forecast, Shelly Pro 2PM can automatically close the outside awnings to protect them from the wind. Additionally, if the weather forecast predicts rain in the afternoon hours, Shelly will open the awnings again to protect the outside seated customers.
Automated blinds for privacy control
Automated blinds for privacy control
Motorized blinds and curtains will not only encourage the use of more natural light but will also allow the guests of your hotel establishment control of their privacy by controlling motorized blinds or curtains individually. They can open or close the blinds or set the angle of the blinds according to their own needs and preferences.
Remote control of the parking gates
Remote control of the parking gates
Security services are costly to maintain. Shelly allows the automation of access control for your office or home, giving you remote control over your parking barrier or gate door. Use smart scheduling to set Shelly Pro 2PM to keep the barrier open between 6:00 PM and 7:00 PM when people are leaving the office to ease the traffic.
Smart conference room
Smart conference room
Automate the conference rooms so that they are fully ready for your business meetings. Set Shelly Motion2 to activate the "Meeting scene" once you enter the room. The shades will close, the lights will dim to the desired brightness, the projection screen will open, and the projector will turn on. The conference room is instantly ready for your presentation!
Enhanced with HTTP/HTTPs webhooks, Shelly Pro line can easily connect with, notify or control other compatible equipment or 3rd party automation system.
Smart actions that follow the Sunrise/Sunset
Shelly Pro line can switch on/off the power, depending on the Sunset/Sunrise hour, allowing dynamic control of the electrical equipment depending on the season.
Automation with weekly scheduling
Shelly Pro line allows you to set up to 20 actions based on your daily or weekly schedule with no need for an external hub or server.
Scripting for custom automation
Shelly Pro line fully supports mjS scripting, allowing customers to create their own features and functionalities.
HTTP/HTTPS webhooks for quick connection
Enhanced with HTTP/HTTPs webhooks, Shelly Pro line can easily connect with, notify or control other compatible equipment or 3rd party automation system.
Smart actions that follow the Sunrise/Sunset
Shelly Pro line can switch on/off the power, depending on the Sunset/Sunrise hour, allowing dynamic control of the electrical equipment depending on the season.
Automation with weekly scheduling
Shelly Pro line allows you to set up to 20 actions based on your daily or weekly schedule with no need for an external hub or server.
Scripting for custom automation
Shelly Pro line fully supports mjS scripting, allowing customers to create their own features and functionalities.