Shelly Pro 4PM V1

Device identification
Device name: Shelly Pro 4PM
Device model: SPSW-004PE16EU
Device SSID: ShellyPro4PM-XXXXXX
Short description
Shelly Pro 4PM is a DIN rail mountable 4-channel smart switch with power measurement capabilities. Enhanced with all the gen2 firmware flexibility and LAN connectivity, it provides professional integrators with many more options for end customer solutions. It can work standalone in a local Wi-Fi network or it can also be operated through cloud home automation services.
Shelly Pro 4PM can be accessed, controlled and monitored remotely from any place where the User has internet connectivity, as long as the device is connected to a Wi-Fi router and the Internet.
Shelly Pro 4PM has an embedded Web Interface which can be used to monitor and control the device, as well as adjust its settings.
Main applications
Residential
MDU (Multi Dwelling Units - apartments, condominiums, hotels, etc.)
Light commercial (small office buildings, small retail/restaurant/gas station, etc.)
Government/municipal
University/college
Integrations
Google
Alexa
Samsung SmartThings
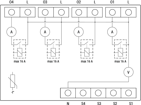
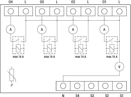
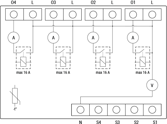
Simplified internal schematics

Device electrical interfaces
Inputs
4 switch/button inputs on screw terminals: S1, S2, S3, and S4
5 power supply inputs on screw terminals: 1 N and 4 L
Outputs
4 relay outputs: O1, O2, O3, and O4
Ethernet port
1 RJ45 connector
⚠CAUTION! Plug in or unplug the LAN cable only when the Device is powered off! The LAN cable connector must not be metallic in the parts touched by the user to plug in or unplug the cable.
Connectivity
Wi-Fi
Ethernet
Bluetooth
Safety features
Overheating protection
Overvoltage protection
Overcurrent protection
Overpower protection
Supported load types
Resistive (incandescent bulbs, heating devices)
Capacitive (capacitor banks, electronic equipment, motor start capacitors)
Inductive with RC Snubber (LED light drivers, transformers, fans, refrigerators, air-conditioners)
User interface
Inputs
Three press buttons on the front plate:
-
Left button:
Press to scroll up in the currently displayed menu
-
Middle button:
Press to scroll down in the currently displayed menu
-
Right button:
Press to wake up the Device display
Press and hold to get into the menu screen
Press to select a menu item
Press and hold while in a sub menu to move to the Main menu
Outputs
Color LCD display.
The LCD displays a top bar with short status information:
Time
-
Bluetooth connection status
Disabled - no icon
Enabled - blue icon
-
LAN status:
Disabled - no icon
Enabled, but not connected - red icon
Connected - green icon
-
Wi-Fi STA status:
Disabled - no icon
Enabled, but not connected - red icon
Connected - green icon
-
Wi-Fi AP status:
Disabled - no icon
Enabled, but not connected - red icon
Connected - green icon
-
Cloud status:
Disabled - no icon
Enabled, but not connected - red icon
Connected - green icon
The rest of the LCD is used to display the Device menu screens:
-
Main (default) screen:
Output 1 on/off
Output 2 on/off
Output 3 on/off
Output 4 on/off
-
Network:
Wi-Fi AP enable/disable
Wi-Fi enable/disable
Ethernet enable/disable
Bluetooth enable/disable
Status:
Displays complete status information-
Maintenance
Wi-Fi reset
Factory reset
Reboot
Specifications
Type |
Value |
|---|---|
Physical | |
Size (HxWxD): |
96x53x59 ±0.5 mm / 3.78x2.01x2.32 ±0.02 in |
Weight: |
|
Mounting: |
DIN rail |
Screw terminals max torque: |
0.4 Nm / 3.5 lbin |
Conductor cross section: |
0.5 to 2.5 mm² / 20 to 14 AWG |
Conductor stripped length: |
6 to 7 mm / 0.24 to 0.28 in |
Shell material: |
Plastic |
Color: |
Black |
Environmental | |
Ambient temperature: |
-20 °C to 40 °C / -5 °F to 105 °F |
Humidity |
30 % to 70 % RH |
Max. altitude |
2000 m / 6562 ft |
Electrical | |
Power supply voltage AC: |
110 - 240 V |
Power supply voltage DC: |
N/A |
Power consumption: |
< 4 W |
Neutral not needed: |
No |
Output circuits ratings | |
Max switching voltage AC: |
240 V |
Max switching voltage DC: |
N/A |
Max switching current AC: |
16 A per channel, 40 A total |
Max switching current DC: |
N/A |
Sensors, meters | |
Voltmeter (AC) |
Yes |
Ammeter (AC) |
Yes |
Internal-temperature sensor: |
Yes |
Radio | |
RF band: |
2400 - 2495 MHz |
Max. RF power: |
<20 dBm |
Wi-Fi protocol: |
802.11 b/g/n |
Wi-Fi Range: |
Up to 30 m / 100 ft indoors and 50 m / 160 ft outdoors |
Bluetooth Protocol: |
4.2 |
Bluetooth Range: |
Up to 10 m / 33 ft indoors and 30 m / 100 ft outdoors |
MCU | |
CPU: |
ESP32-D0WDQ6 |
Flash: |
8 MB |
Firmware capabilities | |
Schedules: |
20 |
Webhooks (URL actions): |
20 with 5 URLs per hook |
Scripting: |
Yes |
MQTT: |
Yes |
CoAP: |
No |
Basic wiring diagram

Resistive load
Legend
Terminals |
Wires |
||
|---|---|---|---|
O1, O2, O3, O4 |
Load circuit output terminals |
L |
Live (110-240 V~) wire |
S1, S2, S3, S4 |
Switch/button input terminals |
N |
Neutral wire |
L |
Live (110-240 V~) terminal |
||
N |
Neutral terminal |
|
|
LAN |
Local Area Network RJ 45 connector |
|
|
Shelly Smart Control
Shelly Web user interface
Troubleshooting
...
Components and APIs
Printed user guide
Shelly Pro 4PM V1 multilingual printed user and safety guide.pdf