Shelly Plus Plug S V2

Shelly Plus Plug S V2 is a modification of Shelly Plus Plug S (SNPL-0112EU)
Shelly Plus Plug S V2 has improved mechanical properties.
Visually identified differences are two symmetric grooves for easier plugging out.
Differences with Shelly Plus Plug S are marked by the ≠ symbol in the text below.
Device identification ≠
Device name: Shelly Plus Plug S V2
Device model: SNPL-10112EU
Device SSID: ShellyPlusPlugS-XXXXXX
Short description
Shelly Plus Plug S V2 (The Device) is a smart plug/outlet with power measurement and overheating protection, which allows remote control of electric appliances through a mobile phone, tablet, PC, or home automation system. It can work standalone in a local Wi-Fi network or it can also be operated through cloud home automation services.
Shelly Plus Plug S can be accessed, set up, and monitored remotely from anywhere the User has internet connectivity, as long as the device is connected to a Wi-Fi router and the Internet.
The Device has an embedded Web Interface which can be used to monitor and control the device, as well as adjust its settings.
Main applications
Residential
MDU (Multi Dwelling Units - apartments, condominiums, hotels, etc.)
Light commercial (small office buildings, small retail/restaurant/gas station, etc.)
Government/municipal
University/college
Integrations
Google
Samsung SmartThings
Alexa
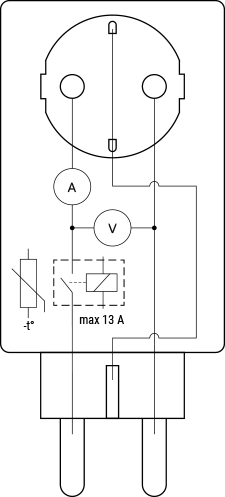
Simplified internal schematics

Device electrical interfaces
Input
1 CEE 7/7 plug
Output
1 CEE 7/3 (Type-F / Schuko) socket
Connectivity
Wi-Fi
Bluetooth
Safety features
Overheating protection
Overvoltage protection
Overcurrent protection
Overpower protection
Supported load types
Resistive (incandescent bulbs, heating devices)
Capacitive (capacitor banks, electronic equipment, motor start capacitors)
Inductive (LED light drivers, transformers, fans, refrigerators, air-conditioners)
User interface
Inputs
-
One push button
Press to turn the output On/Off.
Press and hold for 3 sec to check the status (Possible only when the output is Off).
Press and hold for 5 sec to reboot (Possible up to 60 sec after plugging in in the Device).
Press and hold for 10 sec to factory reset (Possible up to 60 sec after plugging in the Device).
Outputs
-
LED indication
-
When plugged in for the first time:
Blue light flashing, indicating AP mode.
-
When plugged/powered again after being successfully connected to a Wi-Fi network:
Red light flashing slowly, indicating that the Device is reconnecting to the Wi-Fi network.
Constant red light, indicating that the Device cannot reconnect to the Wi-Fi network.
-
When output is On:
-
Power consumption represented by a smooth color change (Default):
Green light at 0% of power limit set
Yellow light at 50% of power limit set
Red light at 100% of power limit set
User can select the brightness (Default brightness - 100%).
Custom color (Default color - Green, Default brightness - 100%)
Off
-
-
When output is Off:
Off (Default):
Custom color (Default color - Red, Default brightness - 100%)
-
When OTA update is in progress:
Red light flashing
-
Specifications
Type |
Value |
|---|---|
Physical | |
Size (HxWxD): |
44x44x70 ±0.5 mm / 1.73x1.73x2.75 ±0.02 in |
Weight: |
60 ±1 g / 2.08 ±0.04 oz |
Compatible sockets: |
CEE 7/1, CEE 7/3 (Type F / Schuko) or CEE 7/5 (Type E) |
Compatible plugs: |
CEE 7/2, CEE 7/4 (Type F / Schuko), CEE 7/7, CEE 7/16 (Type C) or CEE 7/17 |
Shell material: |
Plastic |
Color: |
White |
Environmental | |
Ambient temperature: |
-20 °C to 40 °C / -5 °F to 105 °F |
Humidity |
30 % to 70 % RH |
Max. altitude |
2000 m / 6562 ft |
Electrical | |
Power supply voltage AC: |
230 V ±10 %, 50/60 Hz |
Power supply voltage DC: |
N/A |
Power consumption: |
< 1 W |
Output circuits ratings | |
Max switching voltage AC: |
260 V |
Max switching voltage DC: |
N/A |
Max switching current AC: |
12 A |
Max switching current DC: |
N/A |
Sensors, meters | |
Internal-temperature sensor: |
Yes |
Voltmeter: |
Yes |
Ammeter: |
Yes |
Power and energy meters: |
Yes |
Radio | |
RF band: |
2400 - 2495 MHz |
Max. RF power: |
<20 dBm |
Wi-Fi protocol: |
802.11 b/g/n |
Wi-Fi Range: |
Up to 30 m / 100 ft indoors and 50 m / 160 ft outdoors |
Bluetooth Protocol: |
4.2 |
Bluetooth Range: |
Up to 10 m / 33 ft indoors and 30 m / 100 ft outdoors |
MCU | |
CPU: |
ESP32 |
Flash: |
4 MB |
Firmware capabilities | |
Webhooks (URL actions): |
20 with 5 URLs per hook |
Scripting: |
Yes |
MQTT: |
Yes |
CoAP: |
No |
Troubleshooting
...
Compliance
Shelly Plus Plug S v2 multilingual EU declaration of conformity.pdf
Shelly Plus Plug S v2 UK PSTI ACT Statement of compliance.pdf
Printed user guide
Shelly Plus Plug S V2 multilingual printed user and safety guide.pdf