Shelly 2PM Gen4 ANZ

Device identification
Device name: Shelly 2PM Gen4
Device model: S4SW-002P16EU
Device SSID: Shelly2PMG4-XXXXXXXXXXXX
BLE Model ID: 0x1032
Short description
Shelly 2PM Gen4 ANZ is a small form factor 2-channel smart switch with power measurement and cover control, which allows remote control of electric appliances through a mobile phone, tablet, PC, or home automation system. It can work standalone in a local Wi-Fi network or it can also be operated through cloud home automation services. The device also has improved processor and increased memory compared to its predecessor. The device supports Venetian blinds similar to it’s predecessor Shelly 2PM Gen3.
Shelly 2PM Gen4 ANZ can be accessed, controlled and monitored remotely from any place where the User has internet connectivity, as long as the device is connected to a Wi-Fi router and the Internet.
It can be retrofitted into standard electrical wall boxes, behind power sockets and light switches or other places with limited space.
Shelly 2PM Gen4 ANZ has embedded Web Interface which can be used to monitor and control the device, as well as adjust its settings.
The device has multi-protocol wireless MCU which provide Zigbee and Bluetooth connectivity ensuring a secure connection.
This device is compatible with Matter (default device profile is Switch).
Main features
Smart Switch with Power Measurement: Acts as a smart switch with the added capability of measuring power consumption, allowing you to monitor the energy usage of connected appliances.
Compact Design: Designed as a small form factor switch, making it suitable for retrofitting into standard electrical wall boxes, behind power sockets, light switches, or other confined spaces.
Remote Control: Enables remote control of electric appliances via a mobile phone, tablet, PC, or home automation system.
Local and Cloud Control: Can function independently in a local Wi-Fi network and can also be operated through cloud home automation services.
Improved Processor: Upgraded with an improved processor and Zigbee connectivity for enhanced performance.
Zigbee Connectivity: Zigbee is available for inclusion purposes, which may be useful during the setup process.
Remote Access: Allows remote access, control, and monitoring from any location with internet connectivity, provided the device is connected to a Wi-Fi router and the internet.
Embedded Web Interface: Features an embedded web interface for monitoring, control, and adjustment of settings.
BLE Gateway: Bridge between your Shelly BLU devices and the wider Shelly ecosystem. It receives Bluetooth signals and sends them to the cloud or locally to another non-bluetooth device.
Zigbee Range extender for IoT devices: A Zigbee extender is employed to expand the reach of your Zigbee network by receiving your Zigbee signal, enhancing its strength, and then transmitting the enhanced signal over a wider area.
Wi-Fi Range extender for IoT devices: A Wi-Fi extender is employed to expand the reach of your Wi-Fi network by receiving your current Wi-Fi signal, enhancing its strength, and then transmitting the enhanced signal over a wider area.
Scripting: https://shelly-api-docs.shelly.cloud/gen2/Scripts/ShellyScriptLanguageFeatures/
Wide range of integrations: The device can be integrated with 3rd party home systems, documented HTTP API, MQTT(s), Web Hooks over HTTP and HTTPS, UDP
KNX: Supports KNXnet/IP communication https://shelly-api-docs.shelly.cloud/gen2/Integrations/KNX/
Schedules: Allows scheduling of complex operations to be executed in predefined time window. Users can specify time windows based on date, time of day, weekdays, hours, minutes and seconds.
Virtual Components: https://shelly-api-docs.shelly.cloud/gen2/DynamicComponents/Virtual/
Venetian blinds mode: The Device enables remote control of motorized blinds, roller shutters, venetian blinds, awnings, etc. It measures power consumption of the connected device. It is recommended to use only motors with electronic or mechanical limit switches. The motor limit switches must be set correctly before connecting the Device to the motor.
Use cases
Appliance Control: Use it to remotely control and automate the operation of various electric appliances such as lights, fans, or other devices.
Power Monitoring: Monitor the power consumption of connected appliances in real-time. This is useful for understanding energy usage patterns and promoting energy efficiency.
Home Automation: Integrate the Shelly 2PM Gen4 ANZ into your home automation system to create custom scenes and schedules for your devices.
Energy Efficiency: Leverage the power measurement feature to identify energy-hungry appliances and make informed decisions to improve overall energy efficiency in your home.
Remote Monitoring: Keep an eye on your devices even when you're away from home. The remote access feature allows you to monitor and control connected appliances from anywhere with internet connectivity.
Home Automation Use Cases
Independent Control of Two Circuits
Control two different lighting circuits or appliances from a single module.
Great for double wall switches (e.g., living room & hallway lights).
Monitor power usage separately for each channel.
Smart Shutter / Blind / Curtain Control
Control motorized blinds, roller shutters, or curtains.
Supports calibration for precise open/close/stop positioning.
Supports tilt control of slats for Venetian Blinds.
Automate based on time, sun elevation, or weather conditions.
Appliance Energy Monitoring
Independently monitor power use of two appliances (e.g., coffee machine + toaster).
Receive alerts or trigger actions if devices exceed power thresholds.
Bathroom & Kitchen Ventilation
Channel 1: Bathroom fan control with humidity-based automation.
Channel 2: Mirror heater or towel rail with scheduling or temperature triggers.
Commercial / Office Use Cases
Meeting Room or Zone Lighting
Automate lighting in two adjacent rooms or zones from one location.
Track power usage separately for energy audits.
Display or Signage Control
Channel 1: Shop sign lighting.
Channel 2: Promotional display TV or kiosk.
Enable schedules or motion-triggered operation.
Window Covering Automation
Automate blinds or shades in conference rooms or lobbies.
Link to ambient light sensors or meeting schedules.
Industrial and Facility Applications
Dual Motor Control
Control and monitor two low-load motors (e.g., fans, valves, pumps).
Use with sensors to automate based on environmental conditions (e.g., temperature or water level).
Split Load Monitoring
Monitor energy usage of two specific loads on the same circuit.
Ideal for tracking power of critical or backup equipment (routers, modems, etc.).
Main applications
Residential
MDU (Multi Dwelling Units - apartments, condominiums, hotels, etc.)
Light commercial (small office buildings, small retail/restaurant/gas station, etc.)
Government/municipal
University/college
Integrations
Amazon Alexa supported capabilities
Yes
Google Smart Home supported traits
Yes
Samsung SmartThings supported capabilities
Yes
Simplified internal schematics

Device electrical interfaces
Inputs
2 switch/button inputs on screw terminal: S1 and S2
3 power supply inputs on screw terminals: 1 N and 2 L
Outputs
2 relay outputs with power measurement on screw terminal
Add-on interface
Shelly proprietary serial interface

⚠CAUTION! High voltage on the add-on interface when the Device is powered!
Connectivity
Wi-Fi
Bluetooth
Zigbee
Safety functions
Overheating protection
Overvoltage protection
Overcurrent protection
Overpower protection
Obstacle detection (cover mode)
Safety switch (cover mode)
Supported load types
Resistive (incandescent bulbs, heating appliances)
Capacitive (capacitor banks, electronic equipment, motor starting capacitors)
Inductive with RC Snubber (LED light drivers, transformers, fans, refrigerators, air-conditioners, washing machines, tumble dryers)
User interface
Inputs
-
One (Control) button
Press and hold for 5 seconds to enable Device access point and Bluetooth connection.
Press and hold for 10 seconds to factory reset the Device.
Press the button 5 times to switch the Device from Matter (default) to Zigbee profile. The Device enters inclusion mode for 2 minutes. Include the Device following the instructions of your Zigbee home automation system.
Press the button 3 times to restart the inclusion mode for another 2 minutes if you missed the previous 2-minute window.
Outputs
-
LED (monocolor) indication
AP (Access Point) enabled and Wi-Fi disabled:
1 secondON/ 1 secondOFFWi-Fi enabled, but not connected to a Wi-Fi network:
1 secondON/ 3 secondsOFFConnected to a Wi-Fi network:
ConstantlyONCloud is enabled, but not connected:
1 secondON/5 secondsOFFConnected to Shelly Cloud:
ConstantlyONOTA (Over the Air Update):
½ secON/ ½ secondOFFButton pressed and held for 5 seconds:
½ secondON/ ½ secondOFFButton presses and held for 10 seconds:
¼ secondON/ ¼ secondOFF
The list above starts with the initial device status and the lowest priority. Every next state cancels the previous one.
Specifications
Quantity |
Value |
|---|---|
Physical | |
Size (HxWxD): |
37x42x16 ±0.5 mm / 1.46x1.65x0.63 ±0.02 inch |
Weight: |
30 g / 1.06 oz |
Screw terminals max torque: |
0.4 Nm / 3.5 lbin |
Conductor cross section: |
0.2 to 2.5 mm² / 24 to 14 AWG (solid, stranded, and bootlace ferrules) |
Conductor stripped length: |
6 to 7 mm / 0.24 to 0.28 in |
Mounting: |
Wall box |
Shell material: |
Plastic |
Shell color: |
Black |
Terminals color: |
Grey (Mouse Grey) |
Environmental | |
Ambient working temperature: |
-20°C to 40°C / -5°F to 105°F |
Humidity: |
30% to 70% RH |
Max. altitude: |
2000 m / 6562 ft |
Electrical | |
Power supply: |
110 - 240 V~ ±10% |
Power consumption: |
< 1.4 W |
External protection: |
Tripping characteristic B or C, |
Output circuits ratings | |
Max. switching voltage: |
|
Max. switching current AC: |
10 A (per channel), 16 A (total), 18 A (total peak) |
Sensors, meters | |
Voltmeter (AC): |
Yes |
Ammeter (AC): |
Yes |
Internal-temperature sensor: |
Yes |
Radio | |
Wi-Fi | |
Protocol: |
802.11 b/g/n/ax |
RF band: |
2412 - 2472 МHz |
Max. RF power: |
< 20 dBm |
Range: |
Up to 30 m / 100 ft indoors and 50 m / 160 ft outdoors |
Bluetooth | |
Protocol: |
5.0 |
RF band: |
2402 - 2480 MHz |
Max. RF power: |
< 4 dBm |
Range: |
Up to 10 m / 33 ft indoors and 30 m / 100 ft outdoors |
Zigbee | |
Protocol: |
802.15.4 |
RF bands: |
2400 to 2483.5 MHz |
Max. RF power: |
< 20 dBm |
Range: |
Up to 100 m / 328 ft indoors and 300 meters / 984 ft outdoors |
Microcontroller unit | |
CPU: |
ESP-Shelly-C68F |
Flash: |
8MB |
Firmware capabilities | |
Schedules: |
20 |
Webhooks (URL actions): |
20 with 5 URLs per hook |
Scripting: |
Yes |
MQTT: |
Yes |
Basic wiring diagrams
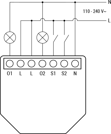
![]() Dual-channel switch mode, AC power supply |
![]() Cover mode |
Legend
Terminals |
Wires |
||
|---|---|---|---|
O1, O2: |
Load circuit output terminals |
N: |
Neutral wire |
L: |
Live terminal (110-240 V~) |
L: |
Live wire (110-240 V~) |
N: |
Neutral terminal |
|
|
S1, S2 |
Switch input terminals |
|
|
Components and APIs
Printed user guide
Shelly 2PM Gen4 ANZ multilingual printed user and safety guide.pdf
Compliance
Shelly 2PM Gen4 multilingual EU declaration of conformity 2025-07-25.pdf

