Shelly 2PM Gen3

Device identification
Device name: Shelly 2PM Gen3
Device model: S3SW-002P16EU
Device SSID: Shelly2PMG3-XXXXXXXXXXXX
BLE Model ID: 0x1005
Short description
Shelly 2PM Gen3 is a small form factor 2-channel smart switch with power measurement and cover control, which allows remote control of electric appliances through a mobile phone, tablet, PC, or home automation system. It can work standalone in a local Wi-Fi network or it can also be operated through cloud home automation services. The device also has improved processor and increased memory compared to its predecessor. The device supports Venetian blinds.
Shelly 2PM Gen3 can be accessed, controlled and monitored remotely from any place where the User has internet connectivity, as long as the device is connected to a Wi-Fi router and the Internet.
It can be retrofitted into standard electrical wall boxes, behind power sockets and light switches or other places with limited space.
Shelly 2PM Gen3 has embedded Web Interface which can be used to monitor and control the device, as well as adjust its settings.
Main features
Smart Switch with Power Measurement: Acts as a smart switch with the added capability of measuring power consumption, allowing you to monitor the energy usage of connected appliances.
Compact Design: Designed as a small form factor switch, making it suitable for retrofitting into standard electrical wall boxes, behind power sockets, light switches, or other confined spaces.
Remote Control: Enables remote control of electric appliances via a mobile phone, tablet, PC, or home automation system.
Local and Cloud Control: Can function independently in a local Wi-Fi network and can also be operated through cloud home automation services.
Improved Processor and Memory: Upgraded with an improved processor and increased memory for enhanced performance.
Remote Access: Allows remote access, control, and monitoring from any location with internet connectivity, provided the device is connected to a Wi-Fi router and the internet.
Embedded Web Interface: Features an embedded web interface for monitoring, control, and adjustment of settings.
BLE Gateway: Bridge between your Shelly BLU devices and the wider Shelly ecosystem. It receives Bluetooth signals and sends them to the cloud or locally to another non-bluetooth device.
Wi-Fi Range extender for IoT devices: A Wi-Fi extender is employed to expand the reach of your Wi-Fi network by receiving your current Wi-Fi signal, enhancing its strength, and then transmitting the enhanced signal over a wider area.
Scripting: https://shelly-api-docs.shelly.cloud/gen2/Scripts/ShellyScriptLanguageFeatures/
Wide range of integrations: The device can be integrated with 3rd party home systems, documented HTTP API, MQTT(s), Web Hooks over HTTP and HTTPS, UDP
KNX: Supports KNXnet/IP communication (Switch mode only with firmware 1.5.0 and later).
Schedules: Allows scheduling of complex operations to be executed in predefined time window. Users can specify time windows based on date, time of day, weekdays, hours, minutes and seconds.
Virtual Components: https://shelly-api-docs.shelly.cloud/gen2/DynamicComponents/Virtual/
-
Venetian blinds mode: The Device enables remote control of motorized blinds, roller shutters, venetian blinds, awnings, etc. It measures power consumption of the connected device. It is recommended to use only motors with electronic or mechanical limit switches. The motor limit switches must be set correctly before connecting the Device to the motor.
Controls position of blinds, rollers, shades, venetian blinds, etc.
Controls tilt position of the slats of venetian blinds
Use cases
Appliance Control: Use it to remotely control and automate the operation of various electric appliances such as lights, fans, or other devices.
Power Monitoring: Monitor the power consumption of connected appliances in real-time. This is useful for understanding energy usage patterns and promoting energy efficiency.
Home Automation: Integrate the Shelly 2PM Gen3 into your home automation system to create custom scenes and schedules for your devices.
Energy Efficiency: Leverage the power measurement feature to identify energy-hungry appliances and make informed decisions to improve overall energy efficiency in your home.
Remote Monitoring: Keep an eye on your devices even when you're away from home. The remote access feature allows you to monitor and control connected appliances from anywhere with internet connectivity.
Integrations
Amazon Alexa supported capabilities
Yes
Google Smart Home supported traits
Yes
Samsung SmartThings supported capabilities
Yes
Simplified internal schematics

Device electrical interfaces
Inputs
2 switch/button inputs on screw terminal: S1 and S2
3 power supply inputs on screw terminals: 1 N (+) and 2 L (Ʇ)
Outputs
2 relay outputs with power measurement on screw terminal
Add-on interface
Shelly proprietary serial interface

⚠CAUTION! High voltage on the add-on interface when the Device is powered!
Connectivity
Wi-Fi
Bluetooth
Safety functions
Overheating protection
Overvoltage protection
Overcurrent protection
Overpower protection
Obstacle detection (cover mode)
Safety switch (cover mode)
Supported load types
Resistive (incandescent bulbs, heating appliances)
Capacitive (capacitor banks, electronic equipment, motor starting capacitors)
Inductive with RC Snubber (LED light drivers, transformers, fans, refrigerators, air-conditioners, washing machines, tumble dryers)
User interface
Inputs
-
One (Control) button
Press and hold for 5 seconds to enable Device access point and Bluetooth connection.
Press and hold for 10 seconds to factory reset the Device.
Outputs
-
LED (monocolor) indication
AP (Access Point) enabled and Wi-Fi disabled:
1 secondON/ 1 secondOFFWi-Fi enabled, but not connected to a Wi-Fi network:
1 secondON/ 3 secondsOFFConnected to a Wi-Fi network:
ConstantlyONCloud is enabled, but not connected:
1 secondON/5 secondsOFFConnected to Shelly Cloud:
ConstantlyONOTA (Over the Air Update):
½ secON/ ½ secondOFFButton pressed and held for 5 seconds:
½ secondON/ ½ secondOFFButton presses and held for 10 seconds:
¼ secondON/ ¼ secondOFF
The list above starts with the initial device status and the lowest priority. Every next state cancels the previous one.
Specifications
Quantity |
Value |
|---|---|
Physical | |
Size (HxWxD): |
37x42x16 ±0.5 mm / 1.46x1.65x0.63 ±0.02 in |
Weight: |
30 g / 1.06 oz |
Screw terminals max torque: |
0.4 Nm / 3.5 lbin |
Conductor cross section: |
0.2 to 2.5 mm² / 24 to 14 AWG (solid, stranded, and bootlace ferrules) |
Conductor stripped length: |
6 to 7 mm / 0.24 to 0.28 in |
Mounting: |
Wall box |
Shell material: |
Plastic |
Shell color: |
Black |
Terminals color: |
Black |
Environmental | |
Ambient working temperature: |
-20°C to 40°C / -5°F to 105°F |
Humidity: |
30% to 70% RH |
Max. altitude: |
2000 m / 6562 ft |
Electrical | |
Power supply: |
110 - 240 V~ / 24 V⎓ ±10% |
Power consumption: |
< 1.4 W |
External protection: |
Tripping characteristic B or C, |
Output circuits ratings | |
Max. switching voltage: |
|
Max. switching current AC: |
10 A (per channel), 16 A (total), 18 A (total peak) |
Max. switching current DC: |
10 A |
Sensors, meters | |
Voltmeter (AC): |
Yes |
Ammeter (AC): |
Yes |
Internal-temperature sensor: |
Yes |
Radio | |
Wi-Fi | |
Protocol: |
802.11 b/g/n |
RF band: |
2412 - 2472 МHz |
Max. RF power: |
< 20 dBm |
Range: |
Up to 30 m / 100 ft indoors and 50 m / 160 ft outdoors |
Bluetooth | |
Protocol: |
4.2 |
RF band: |
2402 - 2480 MHz |
Max. RF power: |
< 4 dBm |
Range: |
Up to 10 m / 33 ft indoors and 30 m / 100 ft outdoors |
Microcontroller unit | |
CPU: |
ESP-Shelly-C38F |
Flash: |
8MB |
Firmware capabilities | |
Schedules: |
20 |
Webhooks (URL actions): |
20 with 5 URLs per hook |
Scripting: |
Yes |
MQTT: |
Yes |
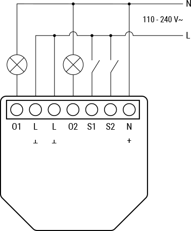
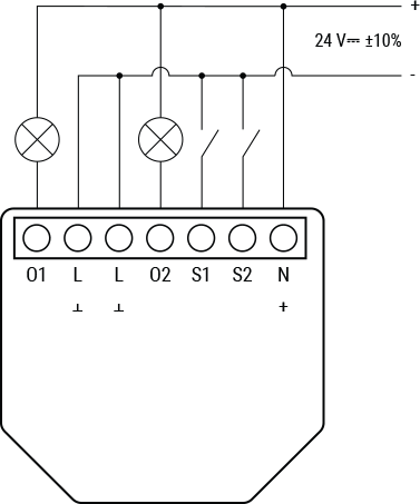
Basic wiring diagrams
![]() Dual-channel switch mode, AC power supply |
![]() Dual-channel switch mode, DC power supply |
![]() Cover mode | |
Legend
Terminals |
Wires |
||
|---|---|---|---|
O1, O2: |
Load circuit output terminals |
N: |
Neutral wire |
L: |
Live terminal (110-240 VAC) |
L: |
Live wire (110-240 V~) |
S1, S2: |
Switch input terminals |
+: |
24 V⎓ positive wire |
S1, S2 |
Switch input terminals |
- |
24 V⎓ negative wire
|
+: |
24V⎓ positive terminal |
||
Ʇ: |
24V⎓ negative terminal |
||
Troubleshooting
-
Ensure that the device is properly powered:
Check power cables, outlets, and any power indicators on the device.
-
Inspect Connections:
Verify that all connections, including cables and wiring, are secure and properly seated. Loose connections can lead to functionality issues.
-
Review Device Settings:
If applicable, check and review the device settings. Ensure that configurations are correct and match your intended use.
-
Update Firmware/Software:
Check if there are any available firmware or software updates for the device. Keeping the device up-to-date can resolve known issues and improve performance.
-
Restart or Reboot:
Sometimes, a simple restart can resolve temporary glitches. Turn off the device, wait a few seconds, and then power it back on.
-
Check Network Connection:
If the device is connected to a network, ensure that the network settings are correct. Test the network connection and consider restarting routers or switches if needed.
-
Inspect Physical Components:
Physically inspect the device for any signs of damage, overheating, or unusual behavior.
-
Check Compatibility:
Ensure that the device is compatible with other components in your system, including hardware and software. Incompatibility issues can lead to malfunctions.
-
Monitor Environmental Factors:
Consider environmental factors such as temperature and humidity.
-
Inspect Power Supply Quality:
Poor power quality, including voltage spikes or fluctuations, can affect device performance. Consider using a surge protector or voltage regulator if needed.
*These are general troubleshooting steps, and the specific steps may vary based on the type of device or issue you are facing. If the issue persists and you are unable to resolve it, consider reaching out to our technical customer support.
Shelly Smart Control
Shelly Web user interface
Components and APIs
Printed user guide
Shelly 2PM Gen3 multilingual printed user and safety guide.pdf
Compliance
Shelly 2PM Gen3 multilingual EU declaration of conformity 2025-07-22.pdf
Shelly 2PM Gen3 AU NZ Certificate for Suitability.pdf
Shelly 2PM Gen3 UK PSTI ACT Statement of compliance.pdf


