Shelly 1L Gen3

Device identification
Device name: Shelly 1L Gen3
Device model: S3SW-0A1X1EUL
Device SSID: Shelly1LG3-XXXXXXXXXXXX
Device Bluetooth ID: 0x1014
Short description
Shelly 1L Gen3 (the Device) is a compact smart switch tailored for lighting control. A standout feature of this device is that it doesn't require a Neutral wire to operate. However, it needs a Shelly Bypass 1L/2L Gen3 connected in parallel to the load. You can conveniently manage your lighting through a mobile phone, tablet, PC, or home automation system.
The device can function standalone within a local Wi-Fi network or can be integrated with cloud home automation services. As long as the Shelly 1L Gen3 is connected to a Wi-Fi router and the Internet, users can access, control, and monitor it from anywhere.
Designed with adaptability in mind, Shelly 1L Gen3 is engineered to snugly fit within standard electrical wall boxes, be discreetly placed behind light switches, or in other areas where space might be a limiting factor. An added benefit is its embedded Web Interface, which allows users to not only monitor and control their lighting but also to fine-tune the Device settings with ease.
This device is Matter ready, this functionality can be added with firmware update.
Main features
Perfect to retrofit! No need for a neutral wire. You can power and control your light, or other appliances using just a live wire, with no necessity to connect a neutral wire to the device.
Minimum bulb watts. The device requires a Bypass 1L/2L Gen3 to be installed next to the light, however, that allows it to control bulbs greater than 5W.
Wi-Fi Connectivity: Shelly 1L Gen3 connects to your home Wi-Fi network, allowing you to control it remotely through the Shelly mobile app or other smart home platforms.
Remote Control: You can remotely control the connected device or appliance from anywhere with an internet connection using the Shelly app on your smartphone or tablet.
Voice Control: If integrated with voice assistants like Amazon Alexa or Google Assistant, you can control the device using voice commands.
Scheduling and Automation: Shelly 1L Gen3 supports scheduling and automation, enabling you to set timers and create routines for your connected devices. For example, you can schedule lights to turn on and off at specific times.
-
Compatibility:
It is designed and tested to ensure compatibility with wide range of lights.
It is designed to work with wide ranges of voltages - 220-240 VAC
Compact Design: Shelly 1L Gen3 has a compact design, allowing it to fit into electrical boxes or behind switches without taking up much space.
Protection: Internal temperature sensor for overheating protection
Local and Remote Access: You can control your devices both locally when connected to the same Wi-Fi network and remotely when you're away from home.
OTA Updates: Shelly devices often receive over-the-air (OTA) firmware updates to enhance functionality and security.
Compatibility with Smart Home Ecosystems: Shelly 1L Gen3 may be compatible with various smart home ecosystems and platforms, such as MQTT, Home Assistant, and more, making it a versatile choice for building a smart home.
New features as compared with the old Shelly 1L: All of the new features coming with the new Shelly devices - Scripting support, HTTPS, MQTTS, Inbound and Outbound Web Sockets.
Main applications
Residential
MDU (Multi Dwelling Units - apartments, condominiums, hotels, etc.)
Light commercial (small office buildings, small retail/restaurant/gas station, etc.)
Government/municipal
University/college
Integrations
Amazon Alexa supported capabilities
Toggle Controller
Google Smart Home supported traits
On Off
Samsung SmartThings supported capabilities
Switch
Simplified internal schematics

Device electrical interfaces
Inputs
1 switch/button input on screw terminal: S
1 power supply input on screw terminal: L
Outputs
1 switch/button signal output on screw terminal: Sx
1 relay output on screw terminal: O
Connectivity
Wi-Fi
Bluetooth
Safety function
Overheating protection
Supported load types
Incandescent lights*
LED lights*
*without step-down transformers for lower-voltage lights
User interface
Inputs
-
One (Control) button
Press and hold for 5 seconds to enable Device access point and Bluetooth connection.
Press and hold for 10 seconds to factory reset the Device.
Outputs
-
LED (monocolor) indication
AP (Access Point) enabled and Wi-Fi disabled:
1 secondON/ 1 secondOFFWi-Fi enabled, but not connected to a Wi-Fi network:
1 secondON/ 3 secondsOFFConnected to a Wi-Fi network:
ConstantlyONCloud is enabled, but not connected:
1 secondON/5 secondsOFFConnected to Shelly Cloud:
ConstantlyONOTA (Over the Air Update):
½ secON/ ½ secondOFFButton pressed and held for 5 seconds:
½ secondON/ ½ secondOFFButton presses and held for 10 seconds:
¼ secondON/ ¼ secondOFF
The list above starts with the initial device status and the lowest priority. Every next state cancels the previous one.
Specifications
Quantity |
Value |
|---|---|
Physical | |
Size (HxWxD): |
37x42x16 ±0.5 mm / 1.46x1.65x0.63 ±0.02 in |
Weight: |
24 g / 0.85 oz |
Screw terminals max torque: |
0.4 Nm / 3.5 lbin |
Conductor cross section: |
0.2 to 2.5 mm² / 24 to 14 AWG (solid, stranded, and bootlace ferrules) |
Conductor stripped length: |
6 to 7 mm / 0.24 to 0.28 in |
Mounting: |
In-wall |
Shell material: |
Plastic |
Shell color: |
Cyan |
Terminal color: |
Black |
Environmental | |
Ambient working temperature: |
-20 °C to 40 °C / -5 °F to 105 °F |
Storage temperature: |
10°C to 40 °C |
Humidity: |
30 % to 70 % RH |
Max. altitude: |
2000 m / 6562 ft |
Electrical | |
Power supply: |
220-240 V~ 50Hz (Shelly Bypass is required) |
Shelly Bypass included |
Yes |
Power consumption: |
< 1.2 W |
Neutral not needed: |
Yes (Shelly Bypass is required for the load at O) |
Min. load without neutral and without a Bypass: |
No (Shelly Bypass is required for the load at O), for all LED lights. |
External protection: |
10 A, tripping characteristic B or C, |
Output circuits ratings | |
Max. switching voltage: |
240 V~ 50 Hz |
Max. switching power: |
200 W |
Sensors, meters | |
Internal-temperature sensor: |
Yes |
Radio | |
Wi-Fi | |
Protocol: |
802.11 b/g/n |
RF band: |
2401 - 2495 МHz |
Max. RF power: |
< 20 dBm |
Range: |
Up to 30 m / 100 ft indoors and 50 m / 160 ft outdoors |
Bluetooth | |
Protocol: |
4.2 |
RF band: |
2400 - 2483.5 MHz |
Max. RF power: |
< 4 dBm |
Range: |
Up to 10 m / 33 ft indoors and 30 m / 100 ft outdoors |
Microcontroller unit | |
CPU: |
ESP-Shelly-C38F |
Clock frequency: |
160 Mhz |
RAM: |
512 KB |
Flash: |
8 MB |
Firmware capabilities | |
Schedules: |
20 |
Webhooks (URL actions): |
20 with 5 URLs per hook |
Scripting: |
Yes |
MQTT: |
Yes |
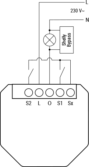
Basic wiring diagram

Legend
Terminals |
Wires |
||
|---|---|---|---|
L |
Live (220-240 V~) terminal |
L |
Live (220-240 V~) wire |
O |
Load circuit output terminal |
N |
Neutral wire |
S1, S2 |
Switch input terminals |
||
Sx |
Switch signal output terminal |
||
Shelly Smart Control
Troubleshooting
…
Components and APIs
Compliance and certification
Shelly 1L Gen3 multilingual EU declaration of conformity 2025-07-22.pdf
Shelly 1L Gen3 UK PSTI ACT Statement of compliance.pdf
Printed user guide
Shelly 1L Gen3 multilingual printed user and safety guide.pdf