Shelly Plus Plug US

Device identification
Device name: Shelly Plus Plug US
Device model: SNPL-00116US
Device SSID: ShellyPlusPlugUS-XXXXXX
Short description
Shelly Plus Plug US (The Device) is a smart plug/outlet with power measurement and overheating protection, which allows remote control of electric appliances through a mobile phone, tablet, PC, or home automation system. It can work standalone in a local Wi-Fi network or it can also be operated through cloud home automation services.
Shelly Plus Plug US can be accessed, set up and monitored remotely from any place where the User has internet connectivity, as long as the device is connected to a Wi-Fi router and the Internet.
The Device has an embedded Web Interface which can be used to monitor and control the device, as well as adjust its settings.
Main applications
Residential
MDU (Multi Dwelling Units - apartments, condominiums, hotels, etc.)
Light commercial (small office buildings, small retail/restaurant/gas station, etc.)
Government/municipal
University/college
Integrations
Google
Samsung SmartThings
Alexa
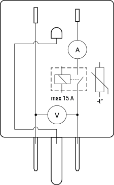
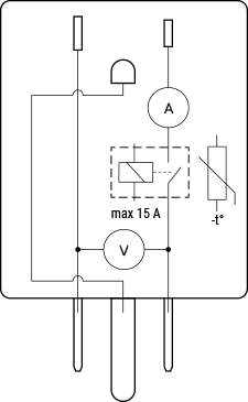
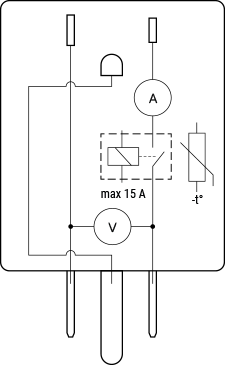
Simplified internal schematics

Device electrical interfaces
Input
1 NEMA 5-15 (Type-B) plug
Output
1 NEMA 5-15 (Type-B) socket
Connectivity
Wi-Fi
Bluetooth
Safety features
Overheating protection
Overvoltage protection
Overcurrent protection
Overpower protection
Supported load types
Resistive (incandescent bulbs, heating devices)
Capacitive (capacitor banks, electronic equipment, motor start capacitors)
Inductive (LED light drivers, transformers, fans, refrigerators, air-conditioners)
User interface
Inputs
-
One push button
Press and hold for 5 sec to reboot (Possible up to 60 sec after plugging in the Device).
Press and hold for 10 sec to factory reset (Possible up to 60 sec after plugging in the Device).
Outputs
-
LED indication
Blue flashing quickly: AP Mode
Blue flashing slowly: Connected to a Wi-Fi network
Blue still: Connected to Shelly Cloud
Red still: Power supplied to the plugged appliance
Red flashing slowly: Reboot initiated (Power button pressed for 5 sec.)
Red flashing quickly: Factory reset initiated (Power button pressed for 10 sec.)
Red and Blue flashing alternately: Firmware update
Specifications
Type |
Value |
|---|---|
Physical | |
Size (HxWxD): |
38x84x52 ±0.5 mm / 1.5x3.3x2.0 in ±0.02 in |
Weight: |
70 ±1 g / 2.47 ±0.04 oz |
Compatible sockets: |
NEMA 5-15 (Type-B) |
Compatible plugs: |
NEMA 1-15 (Type-A) and NEMA 5-15 (Type-B) |
Shell material: |
Plastic |
Color: |
White |
Environmental | |
Ambient temperature: |
-20 °C to 40 °C / -5 °F to 105 °F |
Humidity |
30 % to 70 % RH |
Max. altitude |
2000 m / 6562 ft |
Electrical | |
Power supply voltage AC: |
120 V ±10 %, 60 Hz |
Power supply voltage DC: |
N/A |
Power consumption: |
< 1 W |
Output circuits ratings | |
Max switching voltage AC: |
140 V |
Max switching voltage DC: |
N/A |
Max switching current AC: |
15 A |
Max switching current DC: |
N/A |
Sensors, meters | |
Internal-temperature sensor: |
Yes |
Voltmeter: |
Yes |
Ammeter: |
Yes |
Power and energy meters: |
Yes |
Radio | |
RF band: |
2400 - 2495 MHz |
Max. RF power: |
<20 dBm |
Wi-Fi protocol: |
802.11 b/g/n |
Wi-Fi Range: |
Up to 30 m / 100 ft indoors and 50 m / 160 ft outdoors |
Bluetooth Protocol: |
4.2 |
Bluetooth Range: |
Up to 10 m / 33 ft indoors and 30 m / 100 ft outdoors |
MCU | |
CPU: |
ESP32 |
Flash: |
4 MB |
Firmware capabilities | |
Webhooks (URL actions): |
20 with 5 URLs per hook |
Scripting: |
Yes |
MQTT: |
Yes |
CoAP: |
No |
Troubleshooting
...
Components and APIs
Printed user guide
Shelly Plus Plug US multilingual printed user and safety guide.pdf