Gain real-time insights into the power consumption of your connected devices with Shelly EM Gen3. By monitoring the energy usage as it happens, you can uncover patterns that reveal opportunities for efficiency.
*Shelly EM Gen3 comes with a 50 A clamp included in the pack
3
3 Years Manufacturer Warranty
3 Years Warranty
This warranty covers any issues with the hardware or firmware that exist at the time of purchase or that appear within the warranty period. The warranty includes all parts of the hardware, such as the body, mechanics, and display (if applicable). However, it does not cover consumable items like batteries or accessories, as their lifespan depends on how much they are used.
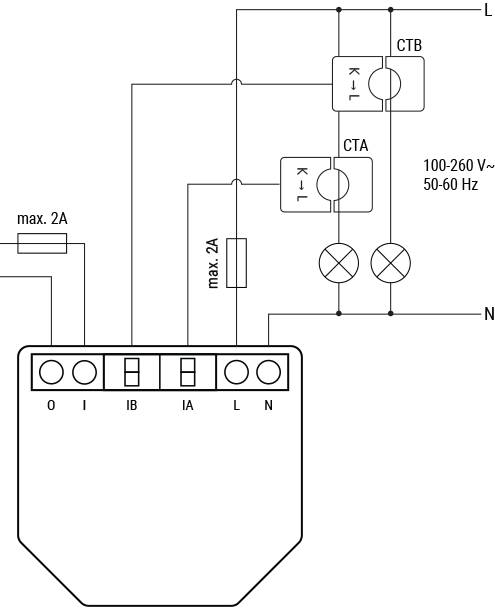
Shelly EM Gen3 (the Device) is a small form factor smart energy meter using up to 2 current transformers (contactless metering), which allows energy metering the consumption of electric appliances and reporting to a mobile phone, tablet, PC, or home automation system. It can work standalone in a local Wi-Fi network or it can also be operated through cloud home automation services. The Device has internal storage for data allowing for later retrieval. The Device has single dry contact switch for controlling external loads.
Shelly EM Gen3 can be accessed, controlled, and monitored remotely from any place where the User has internet connectivity, as long as the device is connected to a Wi-Fi access point and the Internet.
Shelly EM Gen3 can be retrofitted into standard electrical wall boxes, next to electrical appliances, power sockets, or in other places with limited installation space.
Shelly EM Gen3 has an embedded Web Interface which can be used to monitor, configure, and control the device.
Main features
Compact form factor
Single phase, two channels measurment
Current transformer connection
Dry contact relay for contactor control
Real-time clock
Data logs stored on device for up to 10 days of minute data records
Use cases
Power Consumption Monitoring: Monitor the power consumption of connected devices in real-time. This information can be valuable for understanding energy usage patterns and making informed decisions to reduce consumption.
Energy Efficiency Optimization: Identify electrical energy consumption patterns and optimize electricity usage.
Appliance Health Check: Keep track of the power usage of individual appliances to assess their health and performance over time. Sudden spikes or changes in power consumption may indicate issues with the appliance.
Cost Management: With the knowledge of power consumption, you can estimate the cost of running specific devices and manage your electricity expenses more effectively.
Space-Efficient Retrofitting: Integrate the device into standard electrical wall boxes, behind power sockets, light switches, or other locations with limited space.
Remote Monitoring: Shelly EM Gen3 supports publishing data to Shelly cloud or other cloud based data collection and storage systems. This allows you to monitor power consumption even when you're away from home.
Local Monitoring: Like the rest of the Shelly Wi-Fi line of devices Shelly EM Gen3 allows for local only monitoring and automations. Access stored energy consumption records directly from the device UI. Automate locally with rules based on instantaneous power consumption or energy consumer for a period of time.
Main applications
Residential
MDU (Multi Dwelling Units - apartments, condominiums, hotels, etc.)
Light commercial (small office buildings, small retail/restaurant/gas station, etc.)
If negative readings on a measured circuit are read and are not expected, check the correct installation of the CT (K->L).
Ensure that the device is properly powered:
Check power cables, outlets, and any power indicators on the device.
Inspect Connections:
Verify that all connections, including cables and wiring, are secure and properly seated. Loose connections can lead to functionality issues.
Review Device Settings:
If applicable, check and review the device settings. Ensure that configurations are correct and match your intended use.
Update Firmware/Software:
Check if there are any available firmware or software updates for the device. Keeping the device up-to-date can resolve known issues and improve performance.
Restart or Reboot:
Sometimes, a simple restart can resolve temporary glitches. Turn off the device, wait a few seconds, and then power it back on.
Check Network Connection:
If the device is connected to a network, ensure that the network settings are correct. Test the network connection and consider restarting routers or switches if needed.
Inspect Physical Components:
Physically inspect the device for any signs of damage, overheating, or unusual behavior.
Check Compatibility:
Ensure that the device is compatible with other components in your system, including hardware and software. Incompatibility issues can lead to malfunctions.
Monitor Environmental Factors:
Consider environmental factors such as temperature and humidity.
Inspect Power Supply Quality:
Poor power quality, including voltage spikes or fluctuations, can affect device performance. Consider using a surge protector or voltage regulator if needed.
*These are general troubleshooting steps, and the specific steps may vary based on the type of device or issue you are facing. If the issue persists and you are unable to resolve it, consider reaching out to our technical customer support.
Unlock the power of smart energy use with detailed insights into your appliances' power consumption patterns. Integrate Shelly EM Gen3 into standard electrical wall boxes, behind power sockets, light switches, or other places with limited space. By identifying how and when your connected appliances use energy, you can optimize usage for maximum efficiency and lower your electricity bills.
Wi-Fi and Bluetooth connectivity
Connect Shelly ЕМ Gen3 to your Wi-Fi network. No HUB required! Quick inclusion via Bluetooth or use it as a Bluetooth gateway.
Current transformers connection
Connect up to 2 current transformers. No need for extra wiring!
Dry contact switch
For contactor control of heavier loads
Local data storage
Data logs stored on device for up to 10 days in 1-minute intervals. When connected to the cloud, data logs go back to 365 days.
Smart Scenes
Set custom scenes by combining Shelly EM Gen3 with your other Shelly devices to control energy use.
Scripting
Fully supports scripting, allowing you local control and custom functionalities.
Solutions
Shelly EM Gen3 80А
Total power monitoring
Total power monitoring
Know how much energy your home consumes with Shelly EM Gen3! The perfect solution for one-phase homes, Shelly EM Gen3 can make a large difference in your savings by constantly monitoring the overall power in your breaker box and giving you immediate control over your current consumption. Connect a contactor to Shelly EM Gen3 and save energy by automatically switching off non-essential appliances.
Heavy load control with contactors
Heavy load control with contactors
Besides precise power metering, Shelly EM Gen3 allows contactor control of heavy-load appliances such as powerful water heaters, hot tubs, heat pumps, and large kitchen appliances. This way, you can both monitor and control the consumption of larger appliances around your home or facility and maximize your savings.
Appliance Health Check
Appliance Health Check
Monitor the power usage of your appliances to ensure optimal performance and longevity. By tracking individual energy consumption patterns, you can proactively identify potential issues before they become costly problems. Unexpected spikes or shifts in power usage are early warning signs that an appliance may need attention, allowing you to maintain efficiency and avoid downtime.
Gen3 Series features
On the Road to Matter
Each Gen3 device is engineered to be upgradable to Matter. The doubled memory, compared to Plus series, guarantees a smooth update process, paving the way for new smart capabilities and integrations.
*Dependent on the extent of Matter's functionalities support.
More Memory, More Power
The Gen3 series ensures the quality and reliability of our devices by using our own powerful Shelly chip. Boasting 8MB of memory, this dramatically improves device performance and efficiency.
Unified Control with Virtual Components
The Gen3 Series introduces “virtual components, transforming how you manage and control 3rd party devices. Within the Shelly Smart Control app, you can now create virtual devices, integrating non-Shelly products into a unified control system.
On the Road to Matter
Each Gen3 device is engineered to be upgradable to Matter. The doubled memory, compared to Plus series, guarantees a smooth update process, paving the way for new smart capabilities and integrations.
*Dependent on the extent of Matter's functionalities support.
More Memory, More Power
The Gen3 series ensures the quality and reliability of our devices by using our own powerful Shelly chip. Boasting 8MB of memory, this dramatically improves device performance and efficiency.
Unified Control with Virtual Components
The Gen3 Series introduces “virtual components, transforming how you manage and control 3rd party devices. Within the Shelly Smart Control app, you can now create virtual devices, integrating non-Shelly products into a unified control system.
Full compatibility
Easily connect your Shelly Gen3 and Gen4 devices to a wide range of platforms and protocols.
Together with a voice assistant, you can command Shelly devices using just your voice!