Shelly Dimmer 0/1-10V PM Gen3
Device image
.png?inst-v=9cad8f64-2773-4bd7-bad5-7f6d484ed1c1)
Device identification
Device name: Shelly Dimmer 0/1-10V PM Gen3
Device model: S3DM-0010WW
Device SSID: Shelly0110DimG3-XXXXXXXXXXXX
BLE Model ID: 0x1072
Short description
Shelly Dimmer 0/1-10V PM Gen3 (the Device) is a smart dimming controller which allows remote control dimming drivers through a mobile phone, tablet, PC, or home automation system. It can work standalone in a local Wi-Fi network or it can also be operated through cloud home automation services. The device is a current sourcing controller and provides support for 0-10V and 1-10V types of drivers.
Main features
Bluetooth: The Device complies the Bluetooth standard and can connect with other Bluetooth devices to exchange data in short range.
BLE Gateway: Facilitates communication between BLE and Wi-Fi-enabled devices.
Wi-Fi: The Device can connect to a wireless network.
Wi-Fi Range extender: Retransmits the Wi-Fi signal and extends its reach.
Scripting: Allows creating automation scenarios through scripts.
Basic Schedules: Supports weekly schedules and routines, including setting of brightness, transition duration, and flip value of the dimming signal.
Аdvanced Schedules: Supports detailed schedules and routines throughout the year with a broad range of time adjustments from seconds to months, including setting of brightness, transition duration, and flip value of the dimming signal.
Shelly Plus Add-On compatible: The Device supports connection with the sensor interface to the Shelly Plus devices.
Auto on/off timers: Enables auto on/off timer setting.
Local actions: Allows creating automation scenarios within the local Wi-Fi network, including setting of brightness, transition duration, and flip value of the dimming signal.
Webhooks: Supports automation through lightweight, event-driven communication with other devices.
Compatibility: Highly compatible with 3rd Party home automation systems.
No need for hub: Ready for use locally or remotely via Shelly Smart Control or 3rd Party systems.
Activity log: Stores detailed history of events.
KVS (Key-value storage): KVS service provides a basic persistent storage of key-value pairs.
Customizable thresholds and offsets for temperature, humidity and light when/if used with Plus Add-on
Safety: Оver current/voltage/power protections
Power measurement: Precise monitoring of energy consumption. Information about voltage (V), current (A) and consumption (W) is displayed.
Diverse driver integration: Supports 0-10V and 1-10V types of drivers (lights, motors, valves, etc.).
-
Night Mode: Enables to set a specific brightness of input lights during nighttime.
If night mode brightness < min_brightness_on_toggle, then min_brightness_on_toggle is applied
-
Switch/Button input mode: Allows flexible input control through switches and/or buttons
One button dimming control
Dual button dimming control
Transition duration: Controls the time for dimming from 0 to 100 % on toggle On and from 100 to 0% on toggle Off.
Minimum brightness on toggle On: Brightness level (in percent) applied when there is a toggle On and current brightness is lower than 'Min brightness on toggle'. Default is 3%. Not applied when explicit (custom) transition is defined in Schedules and Actions.
Min/Max brightness: Reframes the range of the dimming signal to get more precise brightness control on the output.
Button fade rate: Controls how quickly the output brightness changes while holding the button(s). Default is 3x.
Button presets: State to be applied on double-push (double-click) event. Default value is 100%
Virtual components: A special set of components that do not exist in the device initially and are created dynamically by the user.
Main applications
Residential
MDU (Multi Dwelling Units - apartments, condominiums, hotels, etc.)…
Light commercial (small office buildings, small retail/restaurant/gas station, etc.)…
Government/municipal
University/college
Use cases
Control brightness of dimmable lights within the 0-10 V range to set the perfect brightness.
Create smart schedules to have lights automatically adjust their brightness throughout the day.
Retrofit your existing lighting system with the Dimmer 0/1-10V PM Gen3 and continue using your current switches.
Sync your lights with sunrise and sunset times easily using smart schedules.
Activate a night mode for reduced brightness during nighttime hours.
Integrate the Dimmer 0/1-10V PM Gen3 with third-party systems like Home Assistant, Google Home, Alexa, and SmartThings for expanded control options.
Utilize the device to dim lights up or down with a single or double button press.
Monitor and measure power usage of connected lights for energy management.
Integrations
Amazon Alexa supported capabilities
Yes
Google Smart Home supported traits
Yes
Samsung SmartThings supported capabilities
Yes
Simplified internal schematics
Device electrical interfaces
Inputs
2 switch/button inputs on screw terminals: S1 and S2
2 power supply inputs on screw terminals: 1 N and 1 L
Outputs
2 0-10V outputs on screw terminals: + and -
1 relay output with power measurement on screw terminal
Add-on interface
Shelly proprietary serial interface

⚠CAUTION! High voltage on the add-on interface when the Device is powered!
Connectivity
Wi-Fi
Bluetooth
Safety function
Overheating protection
Overvoltage protection
Overcurrent protection
Overpower protection
Supported load types
0-10V signal control for multiple types of drivers (lights, motors, valves, etc.)
1-10V signal control
User interface
blu Inputs
-
One (Control) button
Press and hold for 5 seconds to enable Device access point and Bluetooth connection.
Press and hold for 10 seconds to factory reset the Device.
Outputs
-
LED (monocolor) indication
AP (Access Point) enabled and Wi-Fi disabled:
1 secondON
/ 1 secondOFF
Wi-Fi enabled, but not connected to a Wi-Fi network:
1 secondON
/ 3 secondsOFF
Connected to a Wi-Fi network:
ConstantlyON
Cloud is enabled, but not connected:
1 secondON
/5 secondsOFF
Connected to Shelly Cloud:
ConstantlyON
OTA (Over the Air Update):
½ secON
/ ½ secondOFF
Button pressed and held for 5 seconds:
½ secondON
/ ½ secondOFF
Button presses and held for 10 seconds:
¼ secondON
/ ¼ secondOFF
The list above starts with the initial device status and the lowest priority. Every next state cancels the previous one.
Specifications
Quantity |
Value |
---|---|
Physical | |
Size (HxWxD): |
38.5x43.5x17mm / 1.52x1.71x0.67in |
Weight: |
28.5 g / 0.99 oz |
Screw terminals max torque: |
0.4 Nm / 3.5 lbin |
Conductor cross section: |
0.2 to 2.5 mm² / 24 to 14 AWG (solid, stranded, and bootlace ferrules) |
Conductor stripped length: |
5 to 6 mm / 0.20 to 0.24 in |
Mounting: |
Wall console/behind wall/ceiling construction |
Shell material: |
Plastic |
Shell color: |
Shell: Pantone 2736C (blue) Print: White |
Connector color: |
Black |
Environmental |
|
Ambient working temperature: |
-20 °C to 40 °C / -5 °F to 105 °F |
Humidity: |
30 % to 70 % RH |
Max. altitude: |
2000 m / 6562 ft |
Electrical | |
Power supply: |
110-240 V~ 50/60 Hz |
Power consumption: |
< 1.5 W |
Neutral not needed: |
No |
0-10V/1-10V voltage control type: |
Current sourcing |
External protection: |
16 A, tripping characteristic B or C, |
Output circuits ratings | |
Max. switching voltage: |
240 V~ |
Max. switching current: |
13 A |
Max. control current: |
35 mA |
Sensors, meters | |
Voltmeter (AC): |
110 V - 240 V |
Voltmeter accuracy: |
±10 % |
Ammeter (AC): |
50 mA - 16 A |
Ammeter accuracy: |
±10 % |
Power and energy meters: |
|
Measurement data storage: |
No |
Internal-temperature sensor: |
Yes |
Radio | |
Wi-Fi | |
Protocol: |
802.11 b/g/n |
RF band: |
2401 - 2495 МHz |
Max. RF power: |
< 20 dBm |
Range: |
Up to 30 m / 100 ft indoors and 50 m / 160 ft outdoors |
Bluetooth | |
Protocol: |
4.2 |
RF band: |
2400 - 2483.5 MHz |
Max. RF power: |
< 4 dBm |
Range: |
Up to 10 m / 33 ft indoors and 30 m / 100 ft outdoors |
Microcontroller unit | |
CPU: |
Shelly ESP32 C3 |
Clock frequency: |
40 Mhz |
Flash: |
8 MB |
Firmware capabilities | |
Schedules: |
20 |
Webhooks (URL actions): |
20 with 5 URLs per hook |
Scripting: |
Yes |
MQTT: |
Yes |
Advanced schedules: |
Yes |
KVS (Key-Value Store): |
Yes |
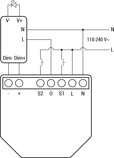
Basic wiring diagrams
Legend
Terminals |
Wires |
||
---|---|---|---|
- |
0-10 VDC negative terminal |
L |
Live (110-240 V) wire |
+ |
0-10 VDC positive terminal |
N |
Neutral wire |
O |
Relay output |
||
S1 |
Switch/button input terminals for light control |
||
S2 |
Switch/button input terminals for light control |
||
L |
Live (110-240 V) terminal |
||
N |
Neutral terminal |
||
Dim-/Dim + |
Positive/negative terminal of the LED driver |
||
V-/V+ |
Positive/negative output of the LED driver |
Shelly Smart Control
Troubleshooting
…
Components and APIs
Compliance and certification
Compliance
Shelly Dimmer 0_1-10V PM Gen3 multilingual EU declaration of conformity 2025-07-22.pdf
Shelly Dimmer 0_1-10V PM Gen3 AU NZ Certificate for Suitability.pdf
Shelly Dimmer 0_1-10V PM Gen3 UK PSTI ACT Statement of compliance.pdf
Printed user guide
Shelly Dimmer 0_1-10V PM Gen3 multilingual printed user and safety guide.pdf