Shelly Plus 2PM UL

Device identification
Device name: Shelly Plus 2PM UL
Device model: SNSW-002P15UL
Device SSID: ShellyPlus2PM-XXXXXX
Short description
The Shelly Plus 2PM UL is a UL-certified small form factor 2-channel smart switch with power measurement and cover control, which allows remote control of electric appliances through a mobile phone, tablet, PC, or home automation system. It can work standalone in a local Wi-Fi network or it can also be operated through cloud home automation services.
The Shelly Plus 2PM UL can be accessed, controlled and monitored remotely from any place where the User has internet connectivity, as long as the device is connected to a Wi-Fi router and the Internet.
It can be retrofitted into standard electrical wall boxes, behind power sockets and light switches or other places with limited space.
The Shelly Plus 2PM UL has an embedded Web Interface which can be used to monitor and control the device, as well as adjust its settings.
Main applications
Residential
MDU (Multi Dwelling Units - apartments, condominiums, hotels, etc.)
Light commercial (small office buildings, small retail/restaurant/gas station, etc.)
Government/municipal
University/college
Integrations
Amazon Alexa supported capabilities
Yes
Google Smart Home supported traits
Yes
Samsung SmartThings supported capabilities
Yes
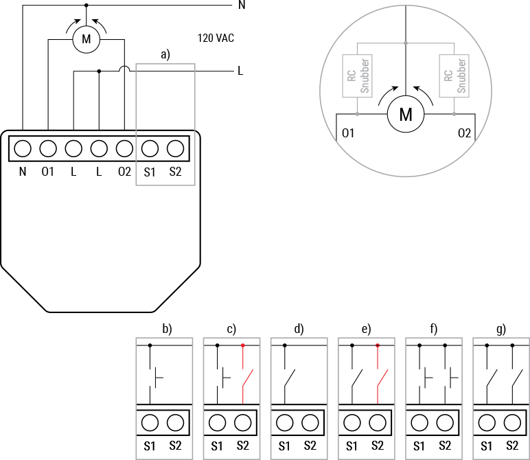
Simplified internal schematics

Device electrical interfaces
Inputs
2 switch/button inputs on screw terminal: S1 and S2
3 power supply inputs on screw terminals: 1 N (+) and 2 L (Ʇ)
Outputs
2 relay outputs with power measurement on screw terminal
Add-on interface
Shelly proprietary serial interface

⚠CAUTION! High voltage on the add-on interface when the Device is powered!
Connectivity
Wi-Fi
Bluetooth
Safety features
Overheating protection
Overvoltage protection
Overcurrent protection
Overpower protection
Obstacle detection (cover mode)
Safety switch (cover mode)
Supported load types
Resistive (incandescent bulbs, heating devices)
Capacitive (capacitor banks, electronic equipment, motor start capacitors)
Inductive with RC Snubber (LED light drivers, transformers, fans, refrigerators, air-conditioners)
User interface
Inputs
-
One (Reset) button
Press and hold for 5 seconds to enable Device access point and Bluetooth connection.
Press and hold for 10 seconds to factory reset the Device.
Outputs
-
LED (monocolor) indication
AP (Access Point) enabled and Wi-Fi disabled:
1 secondON/ 1 secondOFFWi-Fi enabled, but not connected to a Wi-Fi network:
1 secondON/ 3 secondsOFFConnected to a Wi-Fi network:
ConstantlyONCloud is enabled, but not connected:
1 secondON/5 secondsOFFConnected to Shelly Cloud:
ConstantlyONOTA (Over the Air Update):
½ secON/ ½ secondOFFButton pressed and held for 5 seconds:
½ secondON/ ½ secondOFFButton presses and held for 10 seconds:
¼ secondON/ ¼ secondOFF
The list above starts with the initial device status and the lowest priority. Every next state cancels the previous one.
Specifications
Type |
Value |
|---|---|
Physical | |
Size (HxWxD): |
37x42x16 mm / 1.46x1.65x0.63 in |
Weight: |
|
Mounting: |
Flush mounting |
Screw terminals max torque: |
0.25 Nm / 2.2 bin |
Conductor cross section: |
1.0 to 2.5 mm² / 20 to 14 AWG |
Conductor stripped length: |
5 to 6 mm / 0.20 to 0.24 in |
Shell material: |
Plastic |
Color: |
Black |
Environmental | |
Ambient temperature: |
-20 °C to 40 °C / -5 °F to 105 °F |
Humidity |
30 % to 70 % RH |
Max. altitude |
2000 m / 6562 ft |
Electrical | |
Power supply: |
120 VAC, 50/60Hz |
Power consumption: |
< 1.4 W |
Output circuits ratings | |
Max switching voltage AC: |
120 V |
Max switching voltage DC: |
N/A |
Max switching current AC: |
8 A (per channel), 16 A (total) |
Max switching current DC: |
N/A |
Sensors, meters | |
Internal-temperature sensor: |
Yes |
Voltmeter (AC) |
Yes |
Ammeter (AC) |
Yes |
Radio | |
RF band: |
2400 - 2495 MHz |
Max. RF power: |
<20 dBm |
Wi-Fi protocol: |
802.11 b/g/n |
Wi-Fi Range: |
Up to 30 m / 100 ft indoors and 50 m / 160 ft outdoors |
Bluetooth Protocol: |
4.2 |
Bluetooth Range: |
Up to 10 m / 33 ft indoors and 30 m / 100 ft outdoors |
MCU | |
CPU: |
ESP32-U4WDH |
Flash: |
4 MB |
Firmware capabilities | |
Schedules: |
20 |
Webhooks (URL actions): |
20 with 5 URLs per hook |
Scripting: |
Yes |
MQTT: |
Yes |
CoAP: |
No |
Basic wiring diagrams
![]() Dual-channel switch mode, AC power supply |
![]() Cover mode |
Legend
Terminals |
Wires |
||
|---|---|---|---|
N |
Neutral terminal |
N |
Neutral wire |
L |
Live (120 VAC) terminal |
L |
Live (120 VAC) wire |
O1, O2 |
Load circuit output terminals |
||
S1, S2 |
Switch input terminals |
||
Troubleshooting
...
Web Interface guide
Read the Shelly Plus 2PM, Plus 2PM UL web interface guide
Components and APIs
Printed user guide
Shelly Plus 2PM UL bilingual printed user and safety guide.pdf

