Shelly 3EM

Downloads
Manuals
User and Safety Guide - Multi language
Compliance
Shelly 3EM multilingual EU declaration of conformity.pdf
Shelly 3EM UK PSTI ACT Statement of compliance.pdf
Shelly 3EM AU NZ Certificate for Suitability.pdf
What is Shelly 3EM?
The professional 3-phase energy meter
Shelly 3EM can calculate 2-way consumption: produced and used energy for each of the three phases. The device can be configured to measure three separate points of a mono-phase electrical system and measure each of them separately.
Features
No HUB required.
Wide range of voltage support.
Anti-energy theft protection
Overconsumption and over energy protection
It can be integrated to work with all other Shelly devices.
Compatible with Android, iOS, Amazon Alexa, Google Assistant, and home automation servers using MQTT, CoAP, and REST API.
Easily make your Arduino project live and usable in your automation project.
Specification
POWER | |
Power supply AC |
110-230V ±10%, 50/60Hz |
Power supply DC |
No |
SPECIAL FUNCTIONS | |
Contactor Control |
Yes – max 10A |
Roller shutter mode |
No |
Device temperature protection |
No |
Overload protection |
No |
Power measurement |
Yes |
FEATURES | |
In Box |
Included 3x Current Transformers 120A |
Channels |
3 Channel |
Operational temperature |
0 to + 40 °C |
Device power consumption |
< 1 W |
Intelligent On/Off |
Yes |
Local and remote control |
Yes |
Sunrise/Sunset |
Yes |
Weekly Schedule |
Yes |
UL Listed option |
No |
CONNECTIVITY | |
Wireless/WiFi Protocol |
802.11 b/g/n |
Radiofrequency |
2400 – 2500 MHz |
Range |
up to 50 m outdoors and up to 30 m indoors (depending on the building materials) |
DIMENSIONS | |
Size |
73 mm x 57 mm x 22 mm |
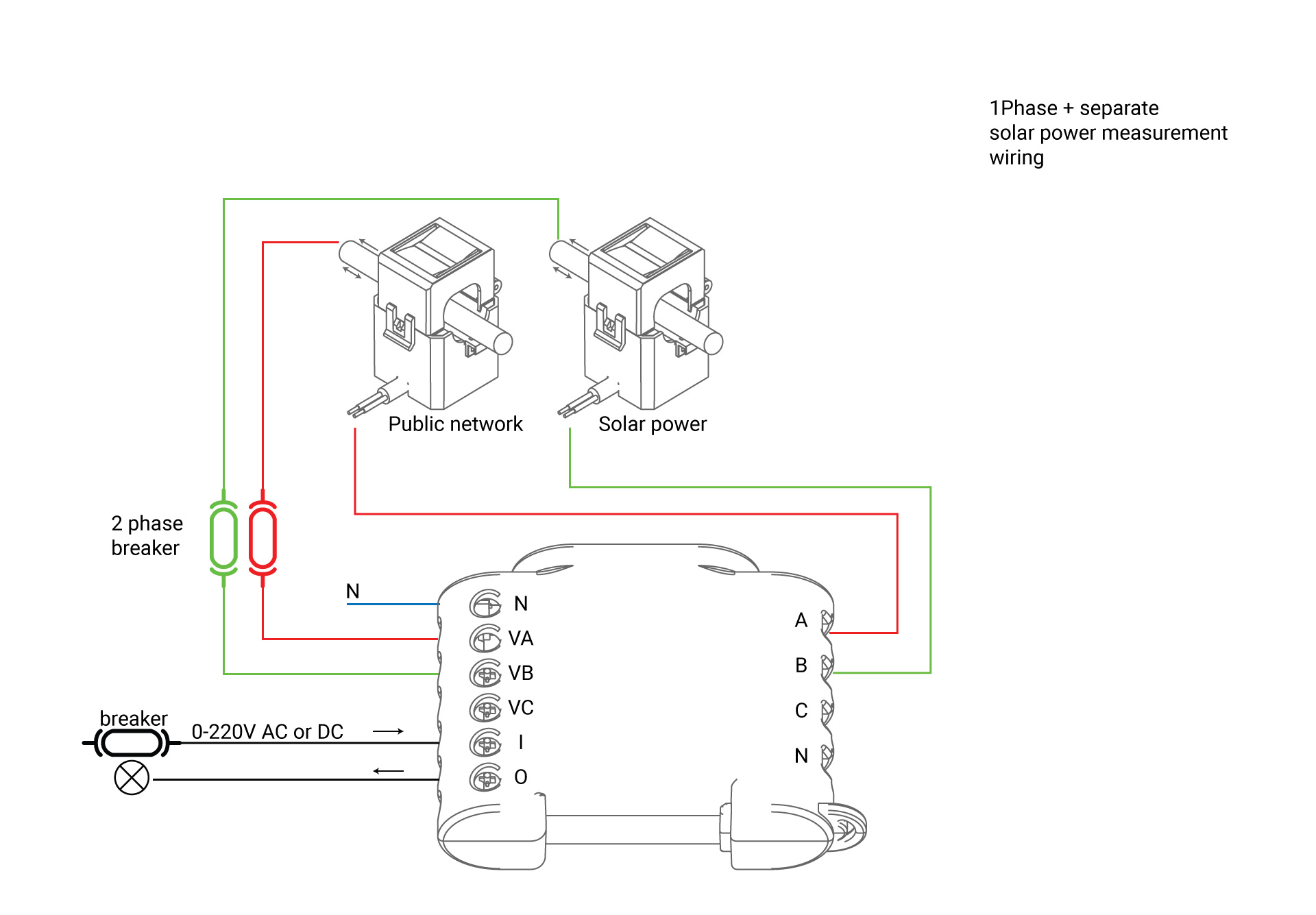
Wiring diagrams
![]() |
![]() |
![]() |
![]() |
Use cases
Оptimize energy usage
Ever wanted to live sustainаbly and save energy, money, and CO2? With Shelly 3EM, you can monitor the consumption оf each circuit, appliance, or of your whole home to optimize energy usage. In case you have solar panels or wind turbines, you can be aware how much energy was produced and make saving effortless.
Detailed info about your electricity consumption
With Shelly 3EM, you can view the quality of your electricity network regarding active power, reactive power, voltage, and power factor. Monitor your facility or home to avoid additional expenses or drastic drops in energy that may damage your appliances and machines.



